不銹鋼氣動隔膜泵
- 選型報價: 獲取2021年價格
- 流量范圍:16-400(L/min)
- 揚程范圍:8-80(m)
- 軸封形式:無
- 泵的類型:容積式
- 功率范圍:(KW)
- 口徑范圍:0-84
- 材質可選:不銹鋼
- 連接方式:
- 驅動形式:壓縮空氣
一、不銹鋼氣動隔膜泵主要用途:
1、隔膜泵吸花生醬、泡菜、土豆泥、小紅腸、果醬蘋果漿、巧克力等。
2、隔膜泵吸油漆、樹膠、顏料。
3、粘合劑和膠水、全部種類可用泵吸取。
4、各種瓦、瓷、磚器及陶器釉漿。
5、油井鉆好后,用泵吸沉積物及灌漿。
6、泵吸各種乳劑和填料。 .
7、隔膜泵吸各種污水。
8、用泵為油輪,駁船清倉吸取倉內污水。
9、啤酒花及發酵粉稀漿、糖漿、糖密。
10、隔膜泵吸礦井、坑道、隧道、選礦、礦渣中的積水。泵吸水泥灌漿及灰漿。
11、各種橡膠漿。
12、各種磨料、腐蝕劑、石油及泥漿、清洗油垢及一般容器。
13、各種劇毒、易燃、易揮發液體。
14、各種強酸、強堿、強腐蝕液體。
15、各種高溫液體Z高可耐150℃。
16、作為各種固液分離設備的前G送壓裝置。

二、不銹鋼氣動隔膜泵產品簡介:
上海品牌廠家沈泉泵閥生產制造的生產的QBY系列氣動隔膜泵是一種新型輸送機械,采用壓縮空氣為動力源,對于各種腐蝕性液體,帶顆粒的液體,高粘度、易揮發、易燃、劇毒的液體,均能予以抽光吸盡。其性能參數與聯邦德G的WLLDENPVMPS、美G的MARlOWPUMPS相近。各行業不同工況QBY氣動隔膜泵適用型號的選型及不同材質和配置下的價格問題歡迎致電24小時報價熱線400-6656-887咨詢2019年隔膜泵廠家直銷價格,同時可提供外形尺寸、安裝圖紙,結構圖紙、曲線圖譜和安裝尺寸等數據。
三、不銹鋼氣動隔膜泵技術參數:
流量:0-30m3/h
揚程:0-50m
口徑:10-100mm
溫度:-15-+120℃
壓力:0.1-0.7MPa
自吸高度:5-7m
氣動隔膜泵應用實例
1、油罐清底,盡管有墊水法抽油,也不能保證將油抽凈,表面總要剩下至少3-5mm厚的油層。以5000m3油罐為例,每次大約損耗1-1.5t油。對于有低位脫水槽的油罐,雖可將剩下的油和水排放到含油污水處理場回收,但是揮發的油品在輸送過程中大都揮發殆盡,且污染環境。
2、臨時倒罐、裝卸車和油品采樣,煉油生產調度過程中,油品經常要臨時倒罐、裝車和對油罐中油品采樣檢驗。或者為了不至于污染正常的管線時,用隔膜泵接臨時管線可以迅速方便地完成此項任務。
3、油輪倉底油回收一條3000t的油輪用固定螺桿泵卸油,倉庫隔板之間至少要剩余50t油,若用排量較大的隔腆泵,可以收到很好的效果。
4、瓦斯、硫化氫殘液的輸送煉油廠火炬底部的瓦斯殘液和含硫水,需要集中排放和處理,否則會形成酸性腐蝕設備。
5、陶瓷行業:用該泵抽吸釉漿,并可用于向壓濾機送壓。
6、下水井、暗溝排除漬水、污油在下水井管道,閥門及暗溝檢修時,需要排除漬水和污油。用潛水泵雖可抽盡潰水,但往往這些地方都遠離電源,很不方便。使用隔膜泵則可采用壓?氣瓶作動力,回收污油,排泄潰水。
7、污水處理場和污泥池的清掃污水處理場的污泥池,常常聚積大量的油泥和淤沙,需要清掃,采用隔膜泵抽吸靈活、方便省工、省力、省時。
8、液化氣泵房和化驗室排漬水,由于這些地方地勢較低,又是一G防火區,采用隔膜泵排漬水比較安全,比用水抽子、汽抽子效率高出好多倍。
9.此外,此泵應用于環烷酸精制轉料,裝車亞硫酸納液體輸送,苯類原料裝卸車等方面都有它自己的優勢。
四、不銹鋼氣動隔膜泵型號性能參數選型表
| 型號 |
流量 (m3/h) |
揚程 (m) |
出口壓力 (kgf/cm2) |
吸程 (m) |
Z大允 許能 過顆粒 直徑 (mm) |
Z大供氣 壓力 (kbf/cm2) |
Z大供氣 消耗量 (m3/min) |
材料 | |||
| 鋁合金 | 不銹鋼 | 鑄造鐵 | 增強聚丙烯 | ||||||||
| QBY-10 | 0~0.8 | 0~60 | 6 | 5 | 1 | 7 | 0.3 | ★ | ★ | ★ | ★ |
| QBY-15 | 0~1 | 0~60 | 6 | 5 | 1 | 7 | 0.3 | ★ | ★ | ★ | ★ |
| QBY-25 | 0~2.4 | 0~60 | 6 | 7 | 2.5 | 7 | 0.6 | ★ | ★ | ★ | ★ |
| QBY-40 | 0~8 | 0~60 | 6 | 7 | 4.5 | 7 | 0.6 | ★ | ★ | ★ | ★ |
| QBY-50 | 0~12 | 0~60 | 6 | 7 | 8 | 7 | 0.9 | ★ | ★ | ★ | / |
| QBY-65 | 0~16 | 0~60 | 6 | 7 | 8 | 7 | 0.9 | ★ | ★ | ★ | / |
| QBY-80 | 0~24 | 0~60 | 6 | 7 | 10 | 7 | 1.5 | ★ | ★ | ★ | / |
| QBY-100 | 0~30 | 0~60 | 6 | 7 | 10 | 7 | 1.5 | ★ | ★ | ★ | / |
用戶可根據此表選型確定型號,如有特殊情況可咨詢我公司技術人員。
五、不銹鋼氣動隔膜泵型號意義

六、不銹鋼氣動隔膜泵結構圖紙

1 進氣口 2 配氣閥體 3 配氣閥 4 圓球 5 球座 6 隔膜 7 連桿 8 連桿銅套 9 中間支架 10 泵進口 11 排氣口
七、不銹鋼氣動隔膜泵工作原理

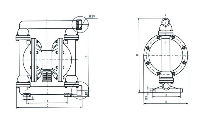
八、不銹鋼氣動隔膜泵(安裝尺寸)


| 型號 | A | B | C | D | E | H1 | H | 絲扣 | 備注 |
| QBY-10 | 160 | 0 | 200 | 160 | 10 | 40 | 260 | 3/8” |
鑄鐵、不銹鋼、鋁合金 |
| QBY-15 | 160 | 0 | 200 | 160 | 10 | 40 | 260 | 1/2” | |
| QBY-20 | 180 | 155 | 300 | 200 | 10 | 40 | 400 | 3/4” | |
| QBY-25 | 210 | 160 | 320 | 230 | 12 | 50 | 470 | 1” | |
| QBY-40 | 210 | 160 | 320 | 230 | 12 | 50 | 470 | 11/2” |

| 型號 | A | B | C | D | E | H1 | H | 絲扣 | 備注 |
| QBY-10 | 160 | 0 | 200 | 160 | 10 | 40 | 260 | 3/8” |
鑄鐵、不銹鋼、鋁合金 |
| QBY-15 | 160 | 0 | 200 | 160 | 10 | 40 | 260 | 1/2” | |
| QBY-20 | 180 | 155 | 300 | 200 | 10 | 40 | 400 | 3/4” | |
| QBY-25 | 210 | 160 | 320 | 230 | 12 | 50 | 470 | 1” | |
| QBY-40 | 210 | 160 | 320 | 230 | 12 | 50 | 470 | 11/2” |

| 型號 | A | B | D5 | D6 | C | H | H1 | DN1 | DN2 | n-d1 | n-d2 | D3 | D4 | E | n-d4 | 進氣口 | 備注 |
| 外徑 | |||||||||||||||||
| QBY-25 | 215 | 150 | 100 | 100 | 380 | 530 | 70 | 25 | 25 | 4-Φ11 | 4-Φ11 | 75 | 75 | 55 | 4-Φ10 | 10 | 工程塑料,氟塑料 |
| QBY-40 | 215 | 150 | 130 | 120 | 380 | 530 | 70 | 40 | 32 | 4-Φ13.5 | 4-Φ13.5 | 100 | 90 | 55 | 4-Φ10 | 10 | |
| QBY-25A | 220 | 160 | 110 | 110 | 370 | 575 | 68 | 25 | 25 | 4-Φ11 | 4-Φ11 | 75 | 75 | 80 | 4-Φ12 | 10 | 鑄鐵、不銹鋼、鋁合金 |
| QBY-40A | 220 | 160 | 130 | 120 | 370 | 575 | 68 | 40 | 32 | 4-Φ13.5 | 4-Φ13.5 | 100 | 90 | 80 | 4-Φ12 | 10 | |
| QBY-50 | 340 | 240 | 140 | 140 | 550 | 800 | 65 | 50 | 50 | 4-Φ13.5 | 4-Φ13.5 | 110 | 110 | 145 | 4-Φ17.5 | 12 | |
| QBY-65 | 340 | 240 | 160 | 160 | 550 | 800 | 70 | 65 | 65 | 4-Φ13.5 | 4-Φ13.5 | 130 | 130 | 145 | 4-Φ17.5 | 12 | |
| QBY-80 | 340 | 240 | 190 | 190 | 580 | 950 | 100 | 80 | 80 | 4-Φ17.5 | 4-Φ17.5 | 150 | 150 | 130 | 4-Φ17.5 | 14 | |
| QBY-100 | 340 | 240 | 210 | 190 | 580 | 950 | 100 | 100 | 80 | 4-Φ17.5 | 4-Φ17.5 | 170 | 170 | 130 | 4-Φ17.5 | 14 |
九、不銹鋼氣動隔膜泵幾種隔膜材料適應介質特性
| 隔膜品種 | 丁睛橡膠 | 氯丁橡膠 | 氟橡膠 | 聚四氟乙烯 | 食品橡膠 |
| 介質種類 | |||||
| 發煙硝酸 | × | × | △ | △ | |
| 濃硝酸 | × | × | △ | △ | |
| 濃硫酸 | × | × | ○ | △ | |
| 濃鹽酸 | × | △ | △ | △ | |
| 濃磷酸 | × | △ | △ | △ | |
| 濃醋酸 | × | × | × | △ | |
| 濃氫氧化鈉 | ○ | ○ | △ | △ | |
| 無水氨 | △ | △ | △ | △ | |
| 稀硝酸 | × | × | ○ | △ | |
| 稀硫酸 | △ | △ | △ | △ | |
| 稀鹽酸 | × | ○ | △ | △ | |
| 稀磷酸 | × | × | △ | △ | |
| 稀氫氧化鈉 | ○ | ○ | △ | △ | |
| 氨水 | △ | △ | × | ||
| 苯 | × | × | ○ | ○ | |
| 汽油 | ○ | ○ | ○ | ○ | |
| 石油 | △ | × | ○ | ○ | |
| 四氯化碳 | ○ | ○ | ○ | ||
| 二硫化碳 | ○ | × | ○ | ||
| 乙醇 | ○ | ○ | ○ | ○ | |
| 丙銅 | × | △ | × | ○ | |
| 甲酚 | × | △ | △ | ○ | |
| 乙醛 | × | × | △ | ○ | |
| 乙苯 | × | × | △ | ○ | |
| 丙烯晴 | △ | △ | × | ○ | |
| 丁醇 | ○ | ○ | ○ | ○ | |
| 丁二烯 | ○ | × | △ | ○ | |
| 苯乙烯 | × | × | △ | ○ | |
| 醋烯乙酯 | × | × | × | ○ | |
| 醚 | × | × | × | ||
| 注:○——壽命較長、△——壽命一般、×——不可用,本表僅從耐腐性考慮,因聚四氯乙烯彈性比橡膠差,故實際使用壽命因壓力,泵行程雜質等因素影響而異。食品橡膠專用于食品飲料行業。 | |||||
備注:以上參數選型表只是不銹鋼氣動隔膜泵的部分性能參數,如在上表中沒有找到符合貴單位要求的型號參數可以向我們咨詢,我們有專業的工程師為您提供常規產品中沒有的參數選型,更加精準的選出適合貴單位適用的隔膜泵型號產品。
在選型過程中請盡量提供以下幾項數據:1、口徑,2、流量,3、揚程或者水頭(m),4、過流材質,5、流體介質,6、介質粘稠度,7、介質是否含有顆粒,8、電機功率(KW),9、轉速(r/min),10、電壓〔V〕,11、使用環境:室內或室外,高原或平原,所處位置是否要求防爆等等,如果你對以上關于不銹鋼氣動隔膜泵的選型,不同流體介質適用泵體,葉輪和機械密封等過流部件的材質及不同配置的2019年價格有任何問題,請您致電我公司,我們將竭誠為您提供優質的服務。
本文標題:不銹鋼氣動隔膜泵本文地址:http://m.meigi-henkou.com/QBYQBK/400.html
管道離心泵
排污泵
自吸泵
磁力泵
隔膜泵
螺桿泵
全國統一服務熱線:400-6656-887
地址:上海市嘉定區綠色經濟工業園
郵箱:sales@sqmade.com





