CDLF不銹鋼立式多級管道泵
- 選型報價: 獲取2021年價格
- 流量范圍:2-160(m3/h)
- 揚程范圍:24-200(m)
- 軸封形式:機械密封
- 泵的類型:離心式
- 功率范圍:1.1-132(KW)
- 口徑范圍:φ25-φ150(mm)
- 材質可選:灰鑄鐵,不銹鋼
- 連接方式:聯軸器
- 驅動形式:三相交流電機
一、 上海品牌廠家沈泉泵閥生產制造的CDLF不銹鋼多級離心泵產品用途:
供水:水廠過濾與輸送、水廠分區送水、主管增壓、高層建筑增壓。
工業增壓:流程水系統、清洗系統、高壓沖洗系統、消防系統。
工業液體輸送:冷卻和空調系統、鍋爐給水和冷凝系統、機床配套、酸性和堿性介質輸送。
水處理:超濾系統、反滲透系統、蒸餾系統、分離器和游泳池的水處理系統。
灌溉:農田灌溉、噴灌、滴灌。

各行業不同工況CDLF不銹鋼立式多級離心泵適用型號的選型及不同材質和配置下的價格問題歡迎致電24小時報價熱線400-6656-887咨詢2022年多級管道離心泵廠家直銷價格,同時可提供外形尺寸、安裝圖紙,結構圖紙、曲線圖譜和安裝尺寸等數據。
二、CDLF不銹鋼多級離心泵產品簡介:
CDLF系列輕型不銹鋼立式多級離心泵是吸取了G內外先進技術而設計制造的非自吸立式多級離心泵,采用標準立式電機和快裝式機械密封,更換非常方便。管道泵的過流部分均采用不銹鋼(304\316)材料制成,可適用于輕度腐蝕性介質。該產品可替代G外CR、CRN等同類產品。
三、CDLF不銹鋼多級離心泵產品特征:
1、采用優良的水力模型和先進的制造工藝,大大提高管道泵的性能及使用壽命。
2、由于軸封采用材料為硬質合金及氟橡膠的機械密封,可提高管道泵運行的可靠性及輸送介質的溫度。
3、管道泵的過流部分采用不銹鋼板沖壓焊接而成,使得管道泵可適用于輕度腐蝕性介質。
4、整體結構緊湊、體積小、重量輕、噪聲低、節能效果顯著,檢修方便。
5、管道泵的進水口與出水口位于管道泵泵座同一水平線上,可直接用于管路當中。
6、采用標準電機,用戶可方便地根據需要配備電機。
7、可根據用戶需要配備智能保護器,對泵干轉、缺相、過載等進行有效保護。

四、CDLF不銹鋼多級離心泵輸送介質:
1、稀薄、清潔、不含固體顆?;蚶w維的非易燃易爆介質。
2、諸如礦泉水、軟化水、純水、清油和其他輕化工介質。
3、管道泵主要材料為不銹鋼,可應用于抽送輕度腐蝕性介質。
五、CDLF不銹鋼多級離心泵技術參數:
流量:4.2-504m3/h;
揚程:24-240m;
功率:1.5-450kw;
轉速:1480r/min;
口徑:φ40-φ250;
溫度范圍:0-+90℃;
工作壓力:≤2.4Mpa。
六、CDLF不銹鋼多級離心泵型號意義:
CDL F 4 — 120
| | | |
| | | |______ G數×10
| | |
| | |__________ 額定流量m3/h
| |
| |_____________ 流過部件為不銹鋼(304或316)
|
|_________________ 輕型不銹鋼立式多級離心泵
七、CDLF系列輕型不銹鋼立式多級泵(性能圖譜)

八、CDLF型不銹鋼多級離心泵參數尺寸

| CDLF型不銹鋼多級離心泵參數尺寸(1T) | ||||||||||||||||
| 規 格 | 電機 | Q | 0.4 | 0.6 | 0.8 | 1 | 1.2 | 1.6 | 1.8 | 2 | 尺寸(mm)/Size | 重量 | ||||
| 型 號 | (KW) | m3/h | B1 | B2 | B1+B2 | D1 | D2 | kg | ||||||||
| CDLF1-20 | 0.37 | H | 13 | 12.5 | 12 | 11.5 | 11 | 10.5 | 9.5 | 9 | 220 | 210 | 430 | 148 | 117 | 20 |
| CDLF1-30 | 0.37 | (m) | 19 | 18 | 17.5 | 17 | 16.5 | 16 | 14 | 12 | 238 | 210 | 448 | 148 | 117 | 20 |
| CDLF1-40 | 0.37 | 24 | 23.5 | 23 | 22.5 | 21.5 | 21 | 18 | 16 | 256 | 210 | 466 | 148 | 117 | 20 | |
| CDLF1-50 | 0.37 | 30 | 29.6 | 29 | 28 | 27 | 26 | 22 | 20 | 247 | 210 | 484 | 148 | 117 | 20 | |
| CDLF1-60 | 0.37 | 36 | 35.5 | 35 | 33.5 | 33 | 31 | 26 | 23 | 292 | 210 | 502 | 148 | 117 | 20 | |
| CDLF1-70 | 0.37 | 42 | 41 | 40.5 | 39 | 38 | 36 | 30 | 27 | 310 | 210 | 520 | 148 | 117 | 20 | |
| CDLF1-80 | 0.55 | 48 | 47 | 46 | 45 | 43 | 41 | 34 | 30 | 328 | 210 | 538 | 148 | 117 | 22 | |
| CDLF1-90 | 0.55 | 54 | 53 | 52 | 51 | 49 | 46 | 39 | 33 | 364 | 210 | 556 | 148 | 117 | 22 | |
| CDLF1-100 | 0.55 | 60 | 59 | 58 | 57 | 54 | 51 | 43 | 36 | 364 | 210 | 574 | 148 | 117 | 22 | |
| CDLF1-110 | 0.55 | 66 | 65 | 63 | 61 | 59 | 56 | 47 | 40 | 382 | 210 | 592 | 148 | 117 | 22 | |
| CDLF1-120 | 0.75 | 72 | 71 | 69 | 67 | 64 | 61 | 51 | 44 | 405 | 245 | 650 | 170 | 142 | 25 | |
| CDLF1-130 | 0.75 | 78 | 77 | 75 | 73 | 69 | 66 | 55 | 47 | 423 | 245 | 668 | 170 | 142 | 25 | |
| CDLF1-150 | 0.75 | 89 | 88 | 86 | 84 | 79 | 76 | 65 | 55 | 459 | 245 | 704 | 170 | 142 | 25 | |
| CDLF1-170 | 1.1 | 101 | 99 | 97 | 95 | 89 | 86 | 71 | 62 | 495 | 245 | 704 | 170 | 142 | 28 | |
| CDLF1-190 | 1.1 | 113 | 110 | 108 | 106 | 99 | 96 | 79 | 69 | 531 | 245 | 776 | 170 | 142 | 28 | |
| CDLF1-210 | 1.1 | 124 | 122 | 120 | 117 | 110 | 106 | 87 | 75 | 567 | 245 | 812 | 170 | 142 | 30 | |
| CDLF1-230 | 1.1 | 137 | 133 | 131 | 128 | 121 | 116 | 96 | 82 | 603 | 245 | 848 | 170 | 142 | 33 | |
| CDLF1-250 | 1.5 | 149 | 145 | 143 | 139 | 131 | 126 | 104 | 89 | 656 | 290 | 946 | 190 | 155 | 40 | |
| CDLF1-270 | 1.5 | 161 | 157 | 155 | 150 | 141 | 136 | 112 | 95 | 692 | 290 | 982 | 190 | 155 | 40 | |
| CDLF1-300 | 1.5 | 178 | 175 | 171 | 166 | 157 | 150 | 124 | 106 | 746 | 290 | 1036 | 190 | 155 | 40 | |
| CDLF1-330 | 2.2 | 196 | 192 | 188 | 183 | 173 | 165 | 137 | 118 | 800 | 290 | 1090 | 190 | 155 | 45 | |
| CDL1F-360 | 2.2 | 214 | 210 | 205 | 200 | 190 | 181 | 151 | 130 | 854 | 290 | 1144 | 190 | 155 | 45 | |

| CDLF型不銹鋼多級離心泵參數尺寸(2T) | ||||||||||||||||
| 規 格 | 電機 | Q | 1 | 1.2 | 1.6 | 2 | 2.4 | 2.8 | 3.2 | 3.5 | 尺寸(mm)/Size | 重量 | ||||
| 型 號 | (KV) | m3/h | B1 | B2 | B1+B2 | D1 | D2 | kg | ||||||||
| CDLF2-20 | 0.37 | H | 18 | 17 | 16 | 15 | 13 | 12 | 10 | 8 | 220 | 210 | 430 | 148 | 117 | 20 |
| CDLF2-30 | 0.37 | 27 | 26 | 24 | 22 | 20 | 18 | 15 | 12 | 238 | 210 | 448 | 148 | 117 | 20 | |
| CDLF2-40 | 0.55 | 36 | 35 | 33 | 30 | 26 | 24 | 20 | 16 | 256 | 210 | 466 | 148 | 117 | 20 | |
| CDLF2-50 | 0.55 | 45 | 43 | 40 | 37 | 33 | 30 | 24 | 20 | 274 | 210 | 484 | 148 | 117 | 20 | |
| CDLF2-60 | 0.75 | 53 | 52 | 50 | 45 | 40 | 36 | 30 | 24 | 297 | 245 | 542 | 170 | 142 | 25 | |
| CDLF2-70 | 0.75 | 63 | 61 | 57 | 52 | 47 | 41 | 35 | 28 | 315 | 245 | 560 | 170 | 142 | 25 | |
| CDLF2-90 | 1.1 | 80 | 78 | 73 | 67 | 61 | 54 | 45 | 37 | 351 | 245 | 596 | 170 | 142 | 30 | |
| CDLF2-110 | 1.1 | 98 | 95 | 89 | 82 | 73 | 64 | 54 | 44 | 387 | 245 | 632 | 170 | 142 | 30 | |
| CDLF2-130 | 1.5 | 116 | 114 | 106 | 98 | 89 | 78 | 65 | 52 | 440 | 290 | 730 | 190 | 155 | 35 | |
| CDLF2-150 | 1.5 | 134 | 130 | 123 | 112 | 100 | 90 | 73 | 60 | 476 | 290 | 766 | 190 | 155 | 35 | |
| CDLF2-180 | 2.2 | 161 | 157 | 148 | 136 | 121 | 108 | 91 | 76 | 530 | 290 | 820 | 190 | 155 | 40 | |
| CDLF2-220 | 2.2 | 197 | 192 | 180 | 165 | 148 | 130 | 110 | 90 | 602 | 290 | 892 | 190 | 155 | 45 | |
| CDLF2-160 | 3 | 232 | 228 | 214 | 198 | 179 | 158 | 130 | 110 | 682 | 315 | 997 | 197 | 160 | 50 | |

| CDLF型不銹鋼多級離心泵參數尺寸(3T) | |||||||||||||||||
| 規 格 | 電機 | Q | 1.2 | 1.6 | 2 | 2.4 | 2.8 | 3 | 3.2 | 3.6 | 4 | 尺寸(mm)/Size | 重量 | ||||
| 型 號 | (KV) | m3/h | B1 | B2 | B1+B2 | D1 | D2 | (kg) | |||||||||
| CDLF3-20 | 0.37 | H | 12.5 | 11.5 | 11 | 10.5 | 10 | 9 | 8 | 7 | 6 | 220 | 210 | 430 | 148 | 117 | 20 |
| CDLF3-30 | 0.37 | (m) | 19 | 18.5 | 17.5 | 16.5 | 15 | 14 | 13 | 11 | 9 | 238 | 210 | 448 | 148 | 117 | 20 |
| CDLF3-40 | 0.37 | 25 | 24 | 23 | 21.5 | 20 | 19 | 18 | 15 | 12 | 256 | 210 | 466 | 148 | 117 | 20 | |
| CDLF3-50 | 0.37 | 31 | 30 | 29 | 27 | 15 | 23 | 22 | 19 | 16 | 274 | 210 | 484 | 148 | 117 | 20 | |
| CDLF3-60 | 0.55 | 36 | 35 | 34 | 32 | 30 | 28 | 27 | 23 | 19 | 292 | 210 | 502 | 148 | 117 | 22 | |
| CDLF3-70 | 0.55 | 43 | 41 | 39 | 37 | 34 | 32 | 31 | 27 | 22 | 310 | 210 | 520 | 148 | 117 | 22 | |
| CDLF3-80 | 0.75 | 49 | 47 | 45 | 43 | 39 | 37 | 35 | 31 | 25 | 333 | 245 | 578 | 170 | 142 | 22 | |
| CDLF3-90 | 0.75 | 55 | 53 | 51 | 48 | 45 | 42 | 40 | 35 | 28 | 351 | 245 | 596 | 170 | 142 | 22 | |
| CDLF3-100 | 0.75 | 61 | 59 | 57 | 54 | 50 | 47 | 45 | 39 | 31 | 369 | 245 | 614 | 170 | 142 | 22 | |
| CDLF3-110 | 1.1 | 67 | 64 | 61 | 58 | 54 | 51 | 49 | 42 | 34 | 387 | 245 | 632 | 170 | 142 | 25 | |
| CDLF3-120 | 1.1 | 73 | 70 | 67 | 63 | 58 | 55 | 52 | 45 | 37 | 405 | 245 | 650 | 170 | 142 | 25 | |
| CDLF3-130 | 1.1 | 78 | 76 | 73 | 69 | 64 | 60 | 57 | 49 | 40 | 423 | 245 | 668 | 170 | 142 | 25 | |
| CDLF3-150 | 1.1 | 90 | 88 | 84 | 79 | 73 | 69 | 66 | 57 | 46 | 459 | 245 | 704 | 170 | 142 | 25 | |
| CDLF3-170 | 1.5 | 103 | 100 | 96 | 90 | 83 | 79 | 75 | 64 | 52 | 512 | 290 | 802 | 190 | 155 | 30 | |
| CDLF3-190 | 1.5 | 115 | 112 | 107 | 100 | 92 | 88 | 83 | 72 | 58 | 548 | 290 | 838 | 190 | 155 | 35 | |
| CDLF3-210 | 2.2 | 128 | 124 | 119 | 112 | 102 | 98 | 91 | 79 | 64 | 584 | 290 | 874 | 190 | 155 | 35 | |
| CDLF3-230 | 2.2 | 140 | 135 | 130 | 122 | 112 | 107 | 100 | 86 | 70 | 620 | 290 | 910 | 190 | 155 | 40 | |
| CDLF3-250 | 2.2 | 151 | 147 | 141 | 131 | 122 | 116 | 109 | 94 | 76 | 656 | 290 | 946 | 190 | 155 | 40 | |
| CDLF3-270 | 2.2 | 164 | 159 | 152 | 143 | 132 | 124 | 117 | 101 | 82 | 692 | 290 | 982 | 190 | 155 | 40 | |
| CDLF3-290 | 2.2 | 175 | 170 | 163 | 153 | 142 | 133 | 126 | 109 | 88 | 728 | 290 | 1018 | 190 | 155 | 40 | |
| CDLF3-310 | 3 | 187 | 182 | 175 | 165 | 153 | 142 | 135 | 116 | 94 | 772 | 315 | 1087 | 197 | 165 | 45 | |
| CDLF3-330 | 3 | 199 | 194 | 187 | 176 | 163 | 151 | 145 | 125 | 100 | 808 | 315 | 1123 | 197 | 165 | 50 | |
| CDLF3-360 | 3 | 218 | 212 | 204 | 192 | 178 | 168 | 159 | 137 | 109 | 862 | 315 | 1177 | 197 | 165 | 50 | |

| CDLF型不銹鋼多級離心泵參數尺寸(4T) | ||||||||||||||||
| 規 格 | 電機 | Q | 1.5 | 2 | 3 | 4 | 5 | 6 | 7 | 8 | 尺寸(mm)/Size | 重量 | ||||
| 型 號 | (KV) | m3/h | B1 | B2 | B1+B2 | D1 | D2 | (kg) | ||||||||
| CDLF4-20 | 0.37 | H | 19 | 18 | 17 | 15 | 13 | 10 | 8 | 6 | 238 | 210 | 448 | 148 | 117 | 20 |
| CDLF4-30 | 0.55 | (m) | 28 | 27 | 26 | 24 | 20 | 18 | 13 | 10 | 265 | 210 | 475 | 148 | 117 | 20 |
| CDLF4-40 | 0.75 | 38 | 36 | 34 | 32 | 27 | 24 | 19 | 13 | 297 | 245 | 542 | 170 | 142 | 20 | |
| CDLF4-50 | 1.1 | 47 | 45 | 43 | 40 | 34 | 31 | 23 | 17 | 324 | 245 | 569 | 170 | 142 | 25 | |
| CDLF4-60 | 1.1 | 56 | 54 | 52 | 48 | 41 | 37 | 28 | 20 | 351 | 245 | 569 | 170 | 142 | 25 | |
| CDLF4-70 | 1.5 | 66 | 63 | 61 | 56 | 58 | 43 | 33 | 24 | 395 | 290 | 685 | 190 | 155 | 30 | |
| CDLF4-80 | 1.5 | 74 | 72 | 70 | 64 | 55 | 50 | 38 | 27 | 422 | 290 | 712 | 190 | 155 | 30 | |
| CDLF4-100 | 2.2 | 96 | 90 | 87 | 81 | 71 | 62 | 48 | 34 | 476 | 290 | 766 | 190 | 155 | 30 | |
| CDLF4-120 | 2.2 | 114 | 108 | 104 | 95 | 85 | 75 | 58 | 41 | 530 | 290 | 820 | 190 | 155 | 35 | |
| CDLF4-140 | 3 | 136 | 126 | 122 | 112 | 101 | 89 | 68 | 48 | 592 | 315 | 907 | 197 | 165 | 35 | |
| CDLF4-160 | 3 | 152 | 144 | 140 | 129 | 115 | 101 | 78 | 55 | 646 | 315 | 961 | 197 | 165 | 40 | |
| CDLF4-190 | 4 | 183 | 171 | 168 | 153 | 137 | 122 | 93 | 67 | 727 | 335 | 1062 | 230 | 188 | 45 | |
| CDLF4-220 | 4 | 211 | 200 | 192 | 178 | 160 | 138 | 108 | 79 | 8, 08 | 335 | 1143 | 230 | 188 | 50 | |

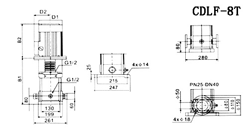
| CDLF型不銹鋼多級離心泵參數尺寸(8T) | ||||||||||||||||
| 規 格 | 電機 | Q | 5 | 6 | 7 | 8 | 9 | 10 | 11 | 12 | 尺寸(mm)/Size | 重量 | ||||
| 型 號 | (KV) | m3/h | B1 | B2 | B1+B2 | D1 | D2 | (kg) | ||||||||
| CDLF8-20/1 | 0.75 | H(m) | 10 | 9.5 | 9.3 | 9 | 8.5 | 8 | 7 | 6 | 350 | 245 | 595 | 170 | 142 | 25 |
| CDLF8-20 | 0.75 | 20 | 19.5 | 19 | 18 | 17 | 16 | 14 | 13 | 350 | 245 | 595 | 170 | 142 | 25 | |
| CDLF8-30 | 1.1 | 30 | 29.5 | 28.5 | 27 | 25 | 24 | 21 | 19 | 380 | 245 | 625 | 170 | 142 | 30 | |
| CDLF8-40 | 1.5 | 41 | 39.5 | 38 | 36 | 34 | 32 | 28 | 26 | 420 | 290 | 710 | 190 | 155 | 30 | |
| CDLF8-50 | 2.2 | 52 | 50 | 48 | 45 | 42 | 40 | 36 | 32 | 450 | 290 | 740 | 190 | 155 | 40 | |
| CDLF8-60 | 2.2 | 62 | 60 | 57 | 54 | 51 | 48 | 43 | 39 | 480 | 290 | 770 | 190 | 155 | 40 | |
| CDLF8-80 | 3 | 83 | 80 | 77 | 73 | 69 | 65 | 58 | 52 | 550 | 315 | 865 | 197 | 165 | 45 | |
| CDLF8-100 | 4 | 104 | 100 | 97 | 92 | 87 | 81 | 73 | 65 | 610 | 335 | 945 | 230 | 188 | 55 | |
| CDLF8-120 | 4 | 124 | 120 | 116 | 111 | 104 | 92 | 87 | 78 | 670 | 335 | 1005 | 230 | 188 | 55 | |
| CDLF8-140 | 5.5 | 145 | 141 | 136 | 130 | 122 | 113 | 102 | 92 | 750 | 430 | 1180 | 260 | 208 | 80 | |
| CDLF8-160 | 5.5 | 166 | 161 | 156 | 148 | 138 | 130 | 118 | 106 | 810 | 430 | 1240 | 260 | 280 | 80 | |
| CDLF8-180 | 7.5 | 187 | 182 | 175 | 167 | 157 | 146 | 134 | 120 | 870 | 430 | 1300 | 260 | 280 | 90 | |
| CDLF8-200 | 7.5 | 215 | 204 | 196 | 186 | 175 | 163 | 150 | 135 | 930 | 430 | 1360 | 260 | 208 | 90 | |

| CDLF型不銹鋼多級離心泵參數尺寸(16T) | ||||||||||||||||
| 規 格 | 電機 | Q | 8 | 10 | 12 | 14 | 16 | 18 | 20 | 22 | 尺寸(mm)/Size | 重量 | ||||
| 型 號 | (KV) | m3/h | B1 | B2 | B1+B2 | D1 | D2 | (kg) | ||||||||
| CDLF16-20 | 2.2 | H | 27 | 26 | 25 | 24 | 22 | 21 | 19 | 16 | 400 | 290 | 690 | 190 | 155 | 40 |
| CDLF16-30 | 3 | (m) | 41 | 40 | 38 | 37 | 34 | 32 | 26 | 25 | 455 | 315 | 770 | 197 | 165 | 50 |
| CDLF16-40 | 4 | 54 | 53 | 52 | 49 | 46 | 43 | 38 | 34 | 500 | 335 | 835 | 230 | 188 | 55 | |
| CDLF16-50 | 5.5 | 68 | 67 | 65 | 62 | 58 | 54 | 48 | 43 | 565 | 430 | 995 | 260 | 208 | 70 | |
| CDLF16-60 | 5.5 | 82 | 80 | 78 | 74 | 70 | 64 | 58 | 52 | 610 | 430 | 1040 | 260 | 208 | 75 | |
| CDLF16-70 | 7.5 | 96 | 95 | 91 | 87 | 82 | 76 | 68 | 61 | 655 | 430 | 1085 | 260 | 208 | 80 | |
| CDLF16-80 | 7.5 | 110 | 108 | 104 | 99 | 94 | 86 | 77 | 70 | 700 | 430 | 1130 | 260 | 208 | 80 | |
| CDLF16-100 | 11 | 138 | 136 | 131 | 125 | 118 | 109 | 97 | 87 | 820 | 490 | 1310 | 330 | 255 | 140 | |
| CDLF16-120 | 11 | 166 | 162 | 157 | 150 | 141 | 130 | 116 | 105 | 910 | 490 | 1400 | 330 | 255 | 145 | |
| CDLF16-140 | 15 | 194 | 190 | 184 | 175 | 166 | 152 | 136 | 122 | 1000 | 490 | 1490 | 330 | 255 | 160 | |
| CDLF16-160 | 15 | 222 | 217 | 210 | 200 | 189 | 172 | 156 | 140 | 1090 | 490 | 1580 | 330 | 255 | 165 | |

| CDLF型不銹鋼多級離心泵參數尺寸(32T) | |||||||||||||||
| 規 格 | 電機 | Q | 16 | 20 | 24 | 28 | 32 | 36 | 40 | 尺寸(mm)/Size | 重量 | ||||
| 型 號 | (KV) | m3/h | B1 | B2 | B1+B2 | D1 | D2 | (kg) | |||||||
| CDLF32-10-1 | 1.5 | H | 14 | 13 | 12 | 11 | 9 | 7 | 4 | 505 | 290 | 795 | 190 | 155 | 68 |
| CDLF32-10 | 2.2 | (m) | 18 | 17 | 15 | 14 | 13 | 11 | 8 | 505 | 290 | 795 | 190 | 155 | 71 |
| CDLF32-20-2 | 3 | 29 | 28 | 26 | 23 | 20 | 16 | 11 | 575 | 315 | 890 | 197 | 165 | 78 | |
| CDLF32-20 | 4 | 36 | 34 | 32 | 29 | 27 | 23 | 18 | 575 | 335 | 910 | 230 | 188 | 84 | |
| CDLF32-30-2 | 5.5 | 47 | 44 | 41 | 38 | 33 | 28 | 21 | 645 | 430 | 1075 | 260 | 208 | 93 | |
| CDLF32-30 | 5.5 | 54 | 51 | 48 | 44 | 40 | 35 | 27 | 645 | 430 | 1075 | 260 | 208 | 93 | |
| CDLF32-40-2 | 7.5 | 65 | 62 | 58 | 53 | 46 | 40 | 30 | 715 | 430 | 1145 | 260 | 208 | 102 | |
| CDLF32-40 | 7.5 | 72 | 69 | 65 | 59 | 53 | 47 | 37 | 715 | 430 | 1145 | 260 | 208 | 102 | |
| CDLF32-50-2 | 11 | 83 | 79 | 74 | 68 | 60 | 52 | 41 | 890 | 490 | 1380 | 330 | 255 | 172 | |
| CDLF32-50 | 11 | 90 | 86 | 81 | 74 | 67 | 59 | 47 | 890 | 490 | 1380 | 330 | 255 | 172 | |
| CDLF32-60-2 | 11 | 101 | 97 | 90 | 83 | 74 | 65 | , | 960 | 490 | 1450 | 330 | 225 | ||
| 51 | |||||||||||||||
| CDLF32-60 | 11 | 108 | 104 | 97 | 90 | 81 | 72 | 57 | 960 | 490 | 1450 | 330 | 255 | 176 | |
| CDLF32-70-2 | 15 | 119 | 114 | 107 | 98 | 88 | 78 | 60 | 1030 | 490 | 1520 | 330 | 255 | 188 | |
| CDLF32-70 | 15 | 126 | 121 | 113 | 105 | 95 | 85 | 67 | 1030 | 490 | 1520 | 330 | 255 | 188 | |
| CDLF32-80-2 | 15 | 136 | 131 | 123 | 114 | 102 | 90 | 71 | 1100 | 490 | 1590 | 330 | 255 | 192 | |
| CDLF32-80 | 15 | 144 | 138 | 130 | 120 | 109 | 97 | 77 | 1100 | 490 | 1590 | 330 | 255 | 192 | |
| CDLF32-90-2 | 18.5 | 154 | 148 | 140 | 129 | 117 | 102 | 82 | 1170 | 550 | 1720 | 330 | 255 | 218 | |
| CDLF32-90 | 18.5 | 162 | 156 | 147 | 136 | 124 | 109 | 88 | 1170 | 550 | 1720 | 330 | 255 | 218 | |
| CDLF32-100-2 | 18.5 | 175 | 166 | 157 | 146 | 131 | 115 | 91 | 1240 | 550 | 1790 | 330 | 255 | 222 | |
| CDLF32-100 | 18.5 | 182 | 173 | 164 | 152 | 138 | 122 | 98 | 1240 | 550 | 1790 | 330 | 255 | 222 | |
| CDLF32-110-2 | 22 | 193 | 184 | 173 | 164 | 146 | 128 | 102 | 1310 | 590 | 1900 | 360 | 285 | 259 | |
| CDLF32-110 | 22 | 200 | 191 | 180 | 168 | 153 | 135 | 109 | 1310 | 590 | 1900 | 360 | 285 | 259 | |
| CDLF32-120-2 | 22 | 211 | 201 | 190 | 178 | 160 | 140 | 113 | 1380 | 590 | 1970 | 360 | 285 | 263 | |
| CDLF32-120 | 22 | 218 | 208 | 196 | 184 | 167 | 147 | 120 | 1380 | 590 | 1970 | 360 | 285 | 263 | |
| CDLF32-130-2 | 30 | 230 | 218 | 206 | 193 | 174 | 153 | 124 | 1450 | 660 | 2110 | 400 | 310 | 327 | |
| CDLF32-130 | 3 | 237 | 225 | 213 | 200 | 181 | 160 | 131 | 1450 | 660 | 2110 | 400 | 310 | 327 | |
| CDLF32-140-2 | 30 | 247 | 235 | 222 | 210 | 189 | 165 | 135 | 1520 | 660 | 2180 | 400 | 310 | 331 | |
| CDLF32-140 | 30 | 255 | 242 | 229 | 216 | 196 | 172 | 142 | 1520 | 660 | 2180 | 400 | 310 | 331 | |
備注:以上參數選型表只是CDLF不銹鋼多級離心泵的部分性能參數,如在上表中沒有找到符合貴單位要求的型號參數可以向我們咨詢,我們有專業的工程師為您提供常規產品中沒有的參數選型,更加精準的選出適合貴單位適用的多級管道離心泵型號產品。在選型過程中請盡量提供以下幾項數據:1、口徑,2、流量,3、揚程或者水頭(m),4、過流材質,5、流體介質,6、介質粘稠度,7、介質是否含有顆粒,8、電機功率(KW),9、轉速(r/min),10、電壓〔V〕,11、使用環境:室內或室外,高原或平原,所處位置是否要求防爆等等,如果你對以上關于CDLF不銹鋼多級離心泵的選型,不同流體介質適用泵體,葉輪和機械密封等過流部件的材質及不同配置的2022年價格有任何問題,請您致電我公司24小時熱線400-6656-887,我們將竭誠為您提供優質的服務。
相關產品推薦:CDL輕型不銹鋼多級離心泵 GDL型立式多級管道離心泵 QDLF立式多級不銹鋼離心泵
本文標題:CDLF不銹鋼立式多級管道泵本文地址:http://m.meigi-henkou.com/ISG/184.html
管道離心泵
排污泵
自吸泵
磁力泵
隔膜泵
全國統一服務熱線:400-6656-887
地址:上海市嘉定區綠色經濟工業園
郵箱:sales@sqmade.com
相關新聞
- 「防爆管道泵」ISGB防爆管道離心泵性能參數選型數據表
- 「管道泵」管道離心泵的安裝維護和保養技術
- 「離心泵」管道離心泵配件的常用材料
- 「防爆管道泵」ISGB防爆管道離心泵安裝尺寸圖紙
- 臥式管道離心泵規格型號及型號意義
- 立式多級管道離心泵_GDL型立式多級管道離心泵原理
- 「管道離心泵維護」離心泵維護的六個步驟
- 臥式離心水泵型號規格表及結構圖
- 屏蔽泵選型注意事項
- [管道離心泵]立式管道離心泵各型號的價格
- 立式多級離心泵型號大全及型號含義
- ISGB便拆立式管道離心泵規格型號及性能參數表
- SPG立式屏蔽管道離心泵的規格型號及型號含義
- 管道離心泵揚程有50米的嗎?
- 多級管道離心泵的選型時要看的技術參數有哪些?





